Définition rapide : un filtre passe-bas permet de « laisser passer » les signaux de basse fréquence et de supprimer les signaux de haute fréquence.
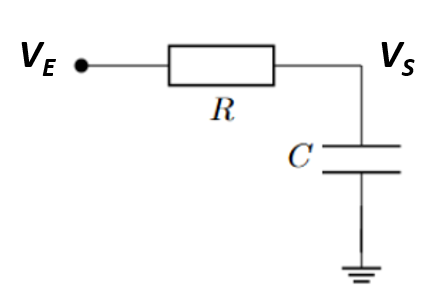
En appliquant le pont diviseur de tension, on a :
\(V_S = \frac{Z_C}{Z_C + R} \times V_E\)
\(V_S = \frac{\frac{1}{j\omega C}}{\frac{1}{j\omega C} + R} \times V_E\)
\(V_S = \frac{1}{1 + j \omega RC} \times V_E\)
avec \(\omega \) la pulsation et \(RC \) la constante de temps. On rappelle que \(\omega = 2 \pi f \)
Dans un premier temps, faisons une étude rapide (on ne tiendra donc pas compte de la valeur de \(RC \) pour l’instant) :
- Si la fréquence est trop petite (\(\omega \) tend vers 0), le terme \(j \omega RC \) devient négligeable devant 1. On obtient alors :
\(V_S \approx V_E\)
- Si la fréquence est trop grande (\(\omega \) tend vers l’infini), 1 devient négligeable devant le terme \(j \omega RC \). On obtient alors :
\(V_S \approx 0 V\)
Cette petite étude nous donne déjà une idée du comportement de ce filtre. On constate qu’avec une basse fréquence, le signal de sortie est environ égal au signal d’entrée (le filtre a « laissé passer » le signal). Inversement, avec une grande fréquence, on obtient 0 V en sortie (le filtre n’a pas « laissé passer » le signal). On a donc bien le comportement d’un filtre de type passe-bas.
Maintenant, faisons une étude plus détaillée. Comme vous avez pu le constater, l’effet de filtrage se trouve dans le terme devant \(V_E \), c’est-à-dire le rapport entre le signal de sortie et le signal d’entrée. Ce rapport est appelé fonction de transfert et se note généralement \(H(j\omega) \) :
\(H(j\omega) = \frac{V_S}{V_E} = \frac{1}{1 + j \omega RC}\)
Contrairement à l’étude rapide que nous avons faite précédemment, on doit ici tenir compte de la valeur de \(RC \), car en réalité, c’est cette valeur là qui va déterminer le comportement de notre filtre. Et on sait que cette valeur dépend directement des valeurs de la résistance et du condensateur.
On va donc étudier le comportement de notre filtre en comparant la valeur de \(RC \) avec la valeur de la fréquence. Etant donné que la fonction de transfert contient un nombre complexe, on prendra le module de celle-ci pour simplifier :